Input your values in the fields below:

Calculator for Hollow structural sections - square
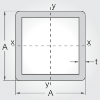
Side, A: mm
Thickness, t: mm
Length, L: m
 
Result
Weight per meter: kg/m
Total weight: kg

Calculator for Hollow structural sections - square ( Contact Us For More Info )